Сварка металлическим электродом в инертном газе машина для подачи проволоки SB-10L - купить
Специальная цена *
Категория товара: Приборы для MIG-сварки
История изменения цены
Купить Сварка металлическим электродом в инертном газе машина для подачи проволоки SB-10L






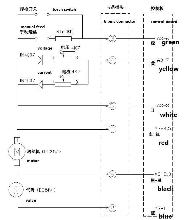
Сварка металлическим электродом в инертном газе машина для подачи проволоки SB-10L с 76zy04 подачи проволоки машина внутри 24 V 1,0-1,2 мм V паз для CO2 работы сварщика
Комплектация: SB-10L 1 шт.
Напряжение подачи проволоки: 24 В
Номинальный ток: 5A
Размер провода: 0,8-1,0 мм 1,0-1,2 мм v паз





Отзывы о Сварка металлическим электродом в инертном газе машина для подачи проволоки SB-10L
Здесь вы можете оставить свой отзыв о данном товаре.
Отзывы ( 0 )
Сначала новые
Сначала старые
Сначала лучшие
Отправить
Загрузить
Ссылка
Сообщение:
Загрузить
Ссылка
ССЫЛКА НА ИЗОБРАЖЕНИЕ
Загружено по ссылке
